![]() |
Wiring Diagrams |
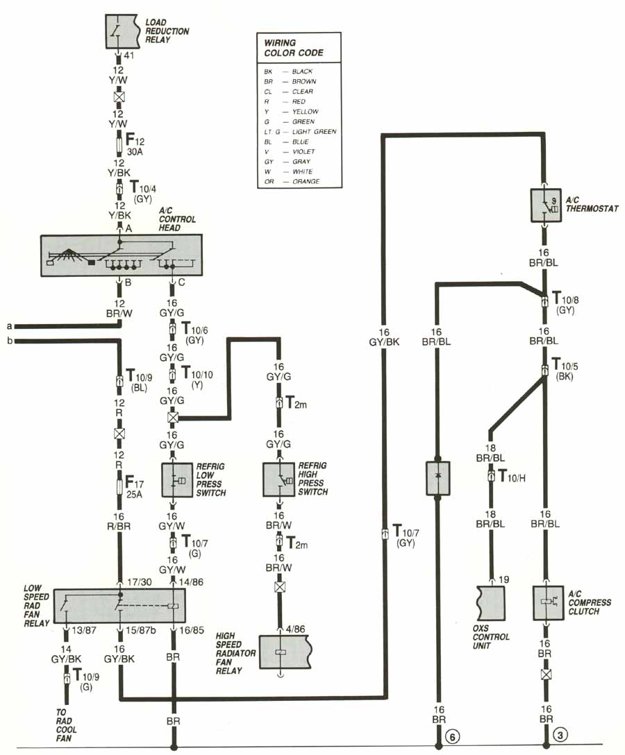
Air Conditioning - 2 |
![]() |
Wiring Diagrams |
![]() |
Home Page |
VW Show Info |
VW Show Results |
Owner Registry |
Tech Specs |
Buy-Sell |
Links to VW Sites |
Photo Gallery |
![]()
Author: Charlie Russo Comments to Author: Webmaster
Copyright © 1987 by Volkswagen United States Service Publications. All rights reserved.
Presentation Copyright © 1999 - 2009 by Charlie Russo. All rights reserved.
Revised: February 8, 1999. URL:http//www.gti16v.org/wd87-139.htm